Zadlabací zámek HOBES 540 WC 90/80 pravolevý

- Kompletní specifikace
- Hodnocení 0
- Ke stažení
Zadlabací zámek HOBES 540 WC 90/80 pravolevýSkladem396 Kč/ ks327 Kč bez DPH
Kompletní specifikace
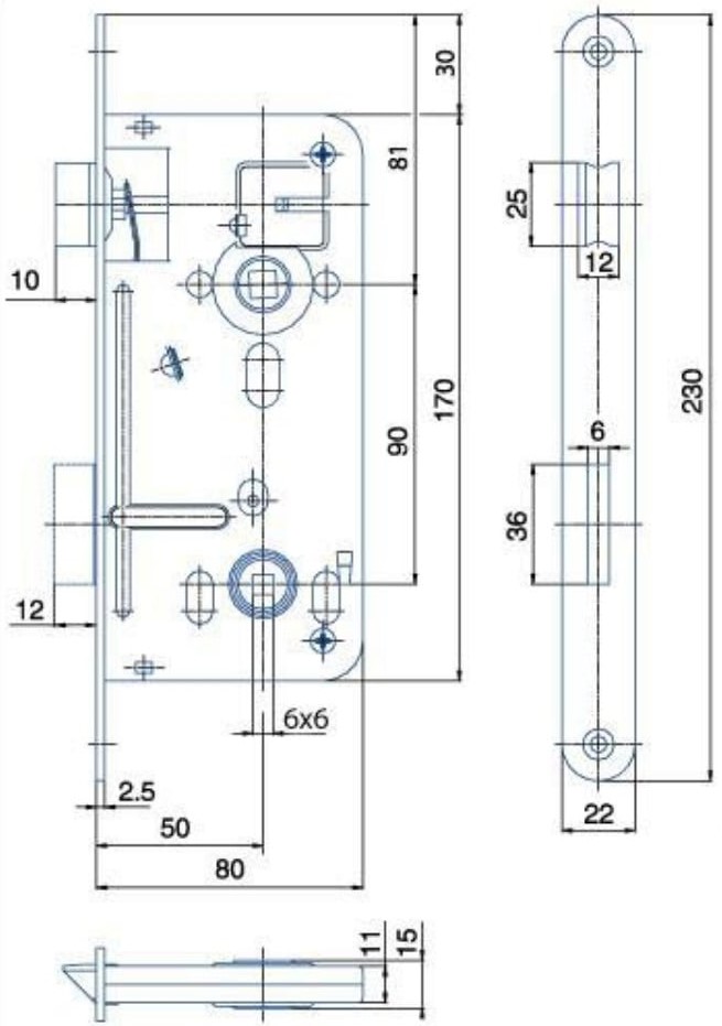
Pravolevý zadlabací zámek HOBES 540 WC 90/80 bez převodu
Jednozápadový zadlabací zámek HOBES 540 je vyrobený z pozinkované oceli a slouží pro instalaci na interiérové dveře. Obsahuje spodní ořech (čtyřhran) a otvory pro dělené štíty. Tento typ zadlabacího zámku je dostupný v pravolevém provedení.
VLASTNOSTI:
- spodní ořech 6 x 6 mm
- jednozápadový zámek
- bez převodu (střelka ovládaná pouze klikou)
- otvory pro dělené štíty
- pravolevé provedení
POUŽITÍ:
- interiérové dveře
TECHNICKÉ PARAMETRY:
- výška: 230 mm
- šířka čela: 22 mm
- rozteč: 90 mm
- zádlab: 80 mm
- osová vzdálenost (dorn): 40 mm
- spodní ořech: 6 x 6 mm
- otvor: WC (WC zámek)
- orientace: pravolevá
- barva: stříbrná
- materiál: ocel
Zboží zařazeno v kategoriích
Potřebujete poradit?
+420 777 732 784
Po-Čt, 8-17 hod. | Pá 8-16 hod.
Ke stažení

